Product display產品展示
聯系我們/Contact us
青州市歐科車橋有限公司
地址:青州市云門山街道井亭村
聯系人:冷經理
手機:15624179800
郵編:262500
網址:www.hkgirl.cn
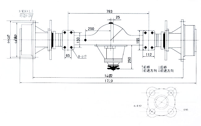
ZL16E驅動橋
ZL16E驅動橋
作者:青州市歐科車橋有限公司
時間:2021-08-20
點擊:


| 橋型 | 橋荷 | 輸入扭矩 | 主減速比 | 邊減速比 | 總速比 | 制動鉗制動力炬 |
| ZL16E | 7500kg | 785N.m | 5.833 | 4.4 | 25.667 | 4300N.m |
| ZL16E1 | 7500kg | 785N.m | 5.833 | 3.9 | 22.75 | 4300N.m |
1.驅動橋采用兩級減速機構
2.主減為螺旋錐齒輪,承載能力大,效率高
3.輪邊為行星減速機構
4.橋殼材料為鑄鋼,剛性好
5.制動鉗為鉗盤制動,制動力矩大
6.有兩種速比可供選擇
適用車型:ZL16E輪式裝載機






